
Expert PCB et Expertises
Expert PCB, fondée en 2006, est spécialisée en conception électronique avec plus de 50 000 heures d'expérience. Nous offrons des services complets pour divers secteurs, garantissant satisfaction et efficacité.


Notre expertise
Nos valeurs
Nous nous engageons à respecter les délais et à maintenir une relation de proximité avec nos clients, tout en offrant des conseils en intégration électronique adaptés aux technologies de pointe.
Projets
Découvrez nos réalisations en conception électronique sur mesure.


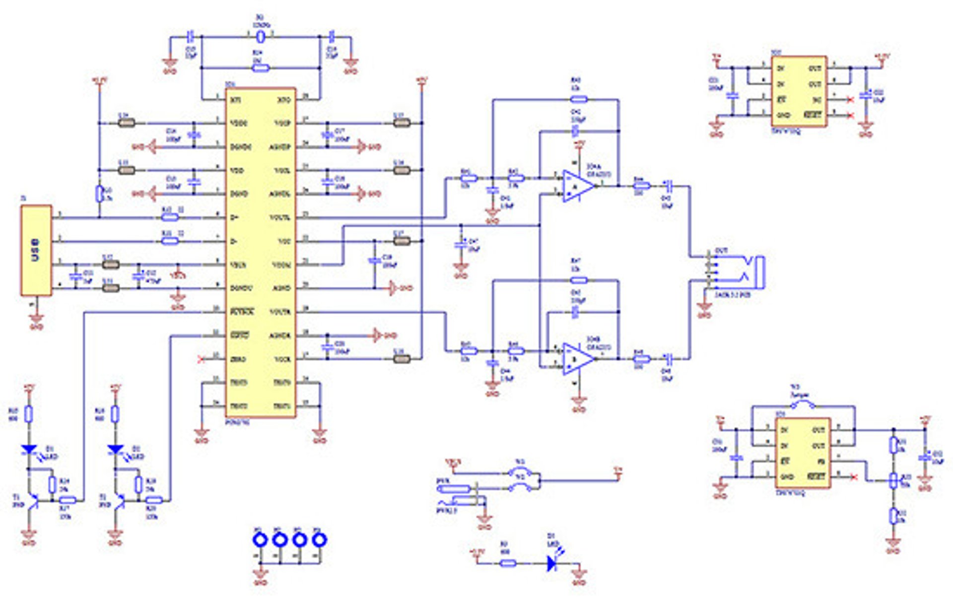
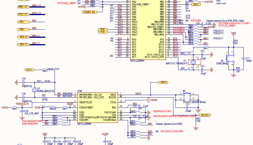
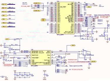
Conception CAO
Création de schémas et routage avancé.


Industrialisation
Tests et validation pour divers secteurs industriels.




Satisfaction client
Engagement fort envers nos clients, délais respectés.
Proximité
Un interlocuteur unique pour chaque projet.
→
→
→
→
Expert PCB
Conception électronique de haute qualité depuis 2006.










Expert PCB
Conception électronique industrielle depuis 2006.
telephone
Contact
+33 (0)6.59.09.89.95
+33(0)4.28.61.78.43
© 2025. All rights reserved.